一、實訓目的
1、通過對三相異步電動機點動控制實際安裝接線,掌握由電氣原理圖變換成安裝接線圖的知識。
2、通過實驗進一步加深理解點動控制特點以及在機床控制中的應用。
二、實訓原理
1、交流接觸器:
采用在法國TE公司LC1-D系列上改進的,型號為CJX2 0901的交流接觸器和型號為F20的輔助觸頭。
交流接觸器線圈電壓為380V,額定電流為10A。
安裝前應注意線圈上的電壓是否與電源電壓相同,并注意不同端的兩個標志A2為同一接點,接線時選A1和任何一個A2即可。接線時應注意接線端子標志:1/L1、3/L2、5/L3為主電路進線端,2/T1、4/T2、6/T3為主電路出線端。21、22為常閉輔助接線端,輔助觸頭F20為兩組常開輔助觸頭。
2、電路原理
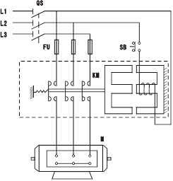
點動正轉控制線路是用按鈕、接觸器來控制電動機運轉的最簡單的正轉控制線路。接線示意如圖1-1所示。
所謂點動控制是指:按下按鈕,電動機就得電運轉,松開按鈕,電動機就失電停轉。這種控制方法常用于電動葫蘆的起重電機控制和車床拖板箱快速移動的電機控制。
由圖1-2可看出,點動正轉控制線路是轉換開關QS、熔斷器FU、啟動按鈕SB、接觸器KM及電動機M組成。其中以轉換開關QS作電源隔離開關,熔斷器FU作短路保護,按鈕SB控制接觸器KM的線圈得電、失電,接觸器KM的主觸頭控制電動機M的啟動與停止。線路工作原理如下:
當電動機M需要點動時,先合上轉換開關QS,此時電動機M尚未接通電源。按下啟動按鈕SB,接觸器KM的線圈得電,使銜鐵吸合,同時帶動接觸器KM的三對主觸頭閉合,電動機M便接通電源啟動運轉。當電動機需要停轉時,只要松開啟動按鈕SB,使接觸器KM的線圈失電,銜鐵在復位彈簧作用下復位,帶動接觸器KM的三對主觸頭恢復斷開,電動機M失電停轉。

圖1-1 點動正轉控制接線示意圖

圖1-2 點動正轉控制線路原理圖
在分析各種控制線路原理圖時,為了簡單明了,通常就用電器文字符號和箭頭配以少量文字來表示線路的工作原理。如點動正轉控制線路的工作原理可敘如下:先合上電源開關QS,啟動:按下啟動按鈕SB→接觸器KM線圈得電→KM主觸頭閉合→電動機M啟動運轉。
停止:松開啟動按鈕SB→接觸器KM線圈失電→KM主觸頭斷開→電動機M失電停轉。
停止使用時,斷開電源開關QS。
三、實訓器材
序號 名 稱 器 件 標 號 數 量 備 注
1 380v電源
(斷路器QS、熔斷器FU) 三相電源輸出 1
2 交流接觸器 KM1 1
3 按鈕 SB1 1
4 三相異步電機 三相異步電機 1
5 電線 若干
四、實訓方法
按圖1-3接線。接線時,先接主電路,它是從380V三相交流電源的輸出端U、V、W開始,經三刀開關QS、熔斷器FU1、FU2、FU3、接觸器KM主觸點到電動機M的三個線端U、V、W的電路,用導線按順序串聯起來,有三路。主電路經檢查無誤后,再接控制電路,從W1開始,經按鈕SB常開、接觸器KM線圈到插孔V1。線接好經指導老師檢查無誤后,按下列步驟進行實驗:
(1)按下控制屏上“開”按鈕;
(2)先合QS,接通三相交流380V電源;
(3)按下啟動按鈕SB,對電動機M進行點動操作,比較按下SB和松開SB時電動機M的運轉情況。


