機械手控制
一、實訓目的
1.使學員理解PLC基本結構與組成,熟悉PLC的控制原理;
2.掌握PLC編程軟件的使用及操作技巧;
3.掌握PLC與力控(PCAuto3.1)的操作與應用
二、實訓器材
1.FX-2N-48MR PLC 1 臺
2.PC電腦 1臺
3.SC-09編程電纜線 1條
4.力控軟件(PCAuto3.1) 1套
三、控制要求
機械手控制系統包括兩種工作方式:手動和自動。初始狀態:“上升、下降、左移、右移、夾/松”指示燈為OFF,開關“上/下、左/右、光/電”為ON,“夾/松”為OFF,原點指示燈為ON。
自動:將“自動/手動”開關置ON,“連續”置OFF,按下啟動按鈕后,系統完成一個周期的運行,停在初始狀態,若要繼續運行,需再次按下啟動按鈕。流程如下: “初始狀態—啟動按鈕—下降—夾緊—延時2秒—上升—右移—下降—放松—上升—左移—初始狀態”
連續:將“自動/手動”和“連續”開關置ON,按下啟動按鈕后,系統完成一個周期的運行,停在初始狀態,延時2秒,系統自動進入下一個周期的運行。運行過程中,按下停止按鈕,系統完成當前周期的運行,停止在初始狀。流程如下: “初始狀態—啟動按鈕—下降—夾緊—延時2秒—上升—右移—下降—放松—上升—左移—初始狀態—延時2秒—下降……”。
手動:將“自動/手動”開關置OFF,機械手根據不同的命令完成相應的動作
流程如下: 初始狀態—“上/下”置OFF— 下限—“夾/緊”置ON—“上/下”置ON—上限—“左/右”置OFF—右限—“上/下”置OFF—下限—“夾/緊”置OFF—“上/下”置ON—上限—“左/右”置ON—左限—初始狀態
四、 組態中PLC I/O口及輔助繼電器分配
| 輸入點 | 輔助繼電器 | 控制功能 | 輸出點 | 輸出設備 | 功能 |
| X0 | M300 | 啟動按鈕 | Y0 | 機械手 | 原點指示 |
| X1 | M301 | 停止按鈕 | Y1 | 機械手 | 上升指示 |
| X2 | M302 | 上限 | Y2 | 機械手 | 右移指示 |
| X3 | M303 | 下限 | Y3 | 機械手 | 下降指示 |
| X4 | M304 | 右限 | Y4 | 機械手 | 左移指示 |
| X5 | M305 | 左限 | Y5 | 機械手 | 夾緊/松開指示 |
| X6 | M306 | 光電 | |||
| X7 | M307 | 復位 | |||
| X10 | M310 | 上移/下移 | |||
| X11 | M311 | 夾緊/松開 | |||
| X12 | M312 | 左移/右移 | |||
| X13 | M313 | 自動 | |||
| X14 | M314 | 手動 | |||
| X15 | M315 | 連續 |
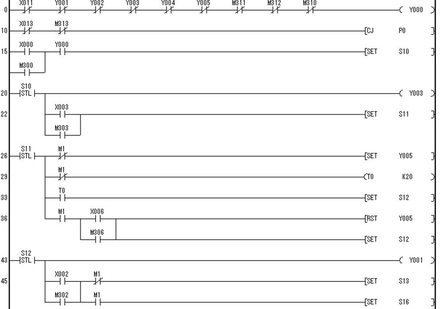
五、梯形圖




六、實訓步驟
1.連接編程電纜
2.接通PLC電源
3.打開編程軟件FXGP-WIN
4.組態仿真軟件
(1) 組態實訓界面
見下頁
(2) 組態軟件的操作步驟
1.確認PLC相關步驟已完成,相關實訓組態界面已打開
2.端口定義(一般按默認值)
3.操作達到考核進程要求即可
5.實訓現象及考核評分
本實訓主要目的是了解機械手的的工作過程
第一步:首先單擊自動按鈕,然后啟動按鈕,機械手將向下運動 得分:17分
第二步:到達下限位置時,機械手夾緊物體 得分:33分
第三步:夾緊物體后向上運動 得分:50分
第四步:到達上限位置時,手臂向右平移 得分:67分
第五步:到達右限位置時,手臂向下運動 得分:83分
第六步:到到下限位置時,松開物體 得分:100分


