主機電路實訓
一、實訓目的了解主機電路原理
二、實訓器材
(1)實訓屏一套
(2)電梯主控線路模塊一塊
(3)連接導線若干
三、實訓步驟
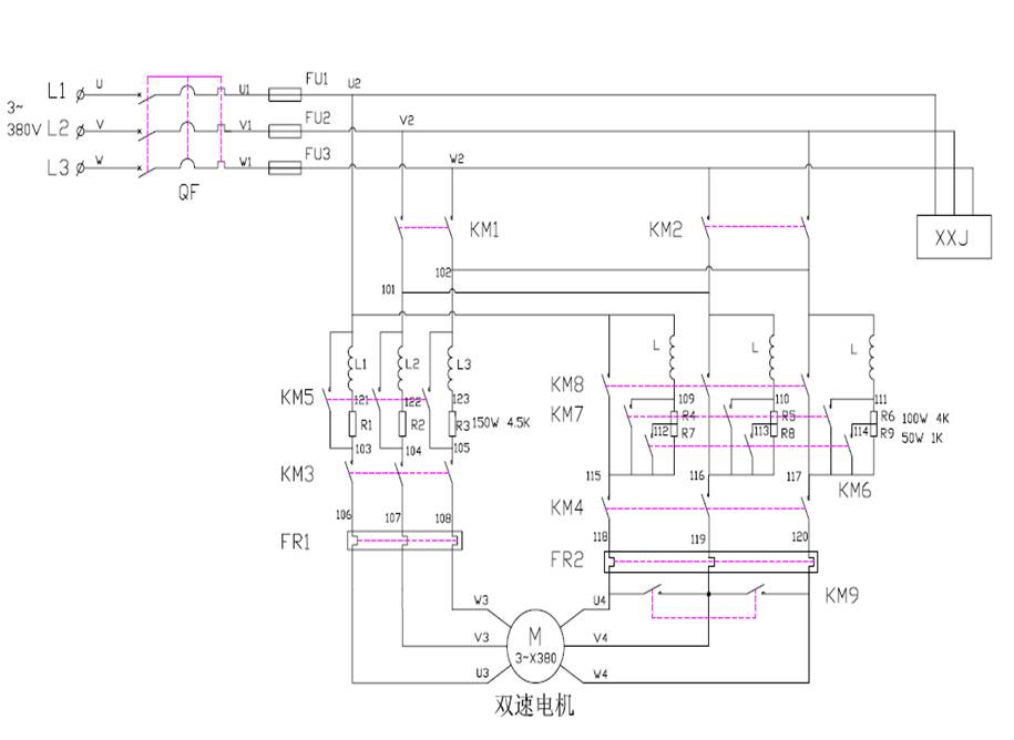
1.主電路原理圖

2.面板實物

| 名稱 | 功能 | 名稱 | 功能 |
| KM1 | 上行接觸器 | KM2 | 下行接觸器 |
| KM3 | 快車接觸器 | KM4 | 慢車接觸器 |
| KM5 | 快車加速接觸器 | KM6 | 慢車第二減速器 |
| KM7 | 慢車第一減速器 | KM8 | 快車轉慢車接觸器 |
| KM9 | 快速導通接觸器 | KM10 | 檢修接觸器 |
| KM11 | 檢修手動停車接觸器 | KT1 | 快車加速時間繼電器 |
| KT2 | 慢車第三減速時間繼電器 | KT3 | 慢車第一減速時間繼電器 |
| KT4 | 慢車第二減速時間繼電器 | SQ1 | 上行減速限位開關 |
| SQ11 | 上行到位限位開關 | SQ2 | 下行減速限位開關 |
| SQ21 | 下行到位限位開關 | SQ3 | 梯門閉合到位開關 |
| SB1(4NA) | 上行啟動開關 | SB2(1NA) | 下行啟動開關 |
| SA(GMA) | 檢修切換開關 | SB3(SA1) | 檢修手動停車按鈕 |
| JHL | 檢修指示燈 | ZHL | 運行指示燈 |
3.主機電路的工作原理
當KM1與KM3閉合或KM2與KM3閉合時,電動機串入電抗器L和電阻R,進行降壓起動,經過一段時間后KM5閉合,電動機進行全壓加速起動。串入電抗器L和電阻R的目的是減小電動機的起動電流,提高電梯起動時的舒適感。該電路完成電梯的起動和快速運行過程。
當KM1與KM4閉合或KM2與KM4閉合時,電梯進入慢速運行。為了提高電梯停層前的舒適感與平層的準確性,要求電梯在將要到達所去樓層前,應降低運行速度,這時電動機的轉速從1000r/min降低到250r/min,這一過程實際上是電動機的一個制動過程,串入電抗器L與電阻R的目的就是限制該制動電流。
四、注意事項
(1)應在指導老師的監護下,做到安全文明操作,防止意外事故發生。
(2)安裝前應熟悉電路的工作原理及工藝要求。 安裝接線時不可用力過猛,以防螺釘打滑或發生意外人身事故和設備事故。
(3)用萬用表帶電檢測時應注意正確選擇檔位。
(4)通電試車完畢,切斷電源。對圖紙資料妥善保管,并做好記錄。
(5)結束后需對現場進行整理,打掃衛生。
當KM1與KM3閉合或KM2與KM3閉合時,電動機串入電抗器L和電阻R,進行降壓起動,經過一段時間后KM5閉合,電動機進行全壓加速起動。串入電抗器L和電阻R的目的是減小電動機的起動電流,提高電梯起動時的舒適感。該電路完成電梯的起動和快速運行過程。
當KM1與KM4閉合或KM2與KM4閉合時,電梯進入慢速運行。為了提高電梯停層前的舒適感與平層的準確性,要求電梯在將要到達所去樓層前,應降低運行速度,這時電動機的轉速從1000r/min降低到250r/min,這一過程實際上是電動機的一個制動過程,串入電抗器L與電阻R的目的就是限制該制動電流。
四、注意事項
(1)應在指導老師的監護下,做到安全文明操作,防止意外事故發生。
(2)安裝前應熟悉電路的工作原理及工藝要求。 安裝接線時不可用力過猛,以防螺釘打滑或發生意外人身事故和設備事故。
(3)用萬用表帶電檢測時應注意正確選擇檔位。
(4)通電試車完畢,切斷電源。對圖紙資料妥善保管,并做好記錄。
(5)結束后需對現場進行整理,打掃衛生。


