移相器實驗
一、實驗目的了解運算放大器構成的移相器電路原理及工作情況,為交流電橋實驗做準備。
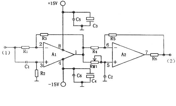
二、實驗原理及電路

圖48-1 相敏檢波器的電路原理
A1與C1、R2組成有源微分網絡,A2與RW1、C2組成有源積分網絡,當①端輸入天弦交流信號μm時,A1輸出一超前μm相位信號,A2輸出一滯后μm相位的信號,通過調節RW1可使輸出信號與輸入信號相位發生變化。
三、實驗所用單元
移相/檢波/低通模塊、音頻振蕩器、雙線(雙蹤)示波器。
四、實驗步驟
1、了解移相器的電路原理。

圖48-2
2、如圖48-2接線,將音頻振蕩器的信號引入移相器的輸入端(音頻信號從0°、180°插入輸出均可)音頻振蕩器頻率置5KHz,幅度置VP-P=5V。
3、將示波器的兩根線分別接到移相器的輸入和輸出端,調整示波器,觀察示波器的波形。
4、調節移相器上的電位器,觀察兩個波形間相位的變化。
5、改變音頻振蕩器的頻率,觀察不同頻率時的最大移相范圍。
五、問題
1、根據電路原理圖,分析本移相器的工作原理,并解釋所觀察到的現象。
2、如果將雙蹤示波器改為單蹤示波器,兩路信號分別從Y軸和X軸送入,根據李沙育圖形是否可完成此實驗?
六、注意事項
本儀器中的音頻信號是由函數發生器產生的,所以通過移相器后波形局部有些畸變,這不是儀器故障,不影響實驗效果。
正確選擇示波器中的“觸發”形式,以保證雙蹤示波器能看到波形的變化。


