(一)、實驗目的:
1、了解三極管的外形與封裝。
2、測試三極管輸入、輸出特性。
(二)、實驗內容和步驟:
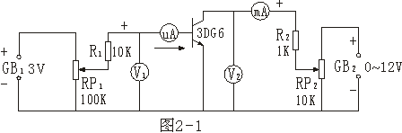
1、按圖2-1接線,V1用萬用表,V2用15V表頭,微安表用100μA表頭,三極管用3DG6。
2、將RP1調至最低位置,GB1=3V,GB2=0V加入電路,調節RP1使V1逐漸升高,觀測對應微安的值。
3、將RP2調至3V,調節RP2使電壓表指示UCE=3V,重復2。
4、將RP1調至微安表Ib為零,然后由UCE=0V開始至12V觀測Ic。
5、使Ib為20、40、80、100μA時,重復步驟4。



